产品大类
湿度传感器/温湿度传感器/温湿度变送器
- - 温湿度模块/探头(21)
- - 温湿度数字输出模块(6)
- - 湿敏电容传感器(3)
- - 湿敏电阻传感器(3)
- - 温度传感器(4)
- - 温湿度变送器/仪表(10)
- - 结露传感器(2)
- - 红外温度传感器(3)
光纤传感器
- - 光纤折射率传感器(1)
- - 光纤信号调理器(5)
- - 光纤温度传感器(3)
- - 光纤压力传感器(9)
- - 光纤应变传感器(3)
- - 光纤位移传感器(1)
压力传感器/变送器
- - 无放大输出压力传感器(2)
- - 放大输出压力传感器(2)
- - 微压传感器(1)
- - 不锈钢压力传感器(1)
- - 数字输出的压力传感器(3)
- - 称重传感器(3)
- - 陶瓷压力传感器(2)
- - 硅蚀刻技术全系列压力传感器(9)
- - PC板安装压力传感器(9)
- - 压力变送器(5)
红外传感器/红外产品
- - 红外发射二极管(5)
- - 光电晶体(接收管)(4)
- - 光电斯密特接收管(2)
- - 红外检测仪(1)
- - 编码器传感器(1)
- - 反射式光电套件(2)
- - 槽型红外光电传感器(2)
- - 条形码传感器(1)
- - 血氧分析传感器(2)
解决方案与产品应用
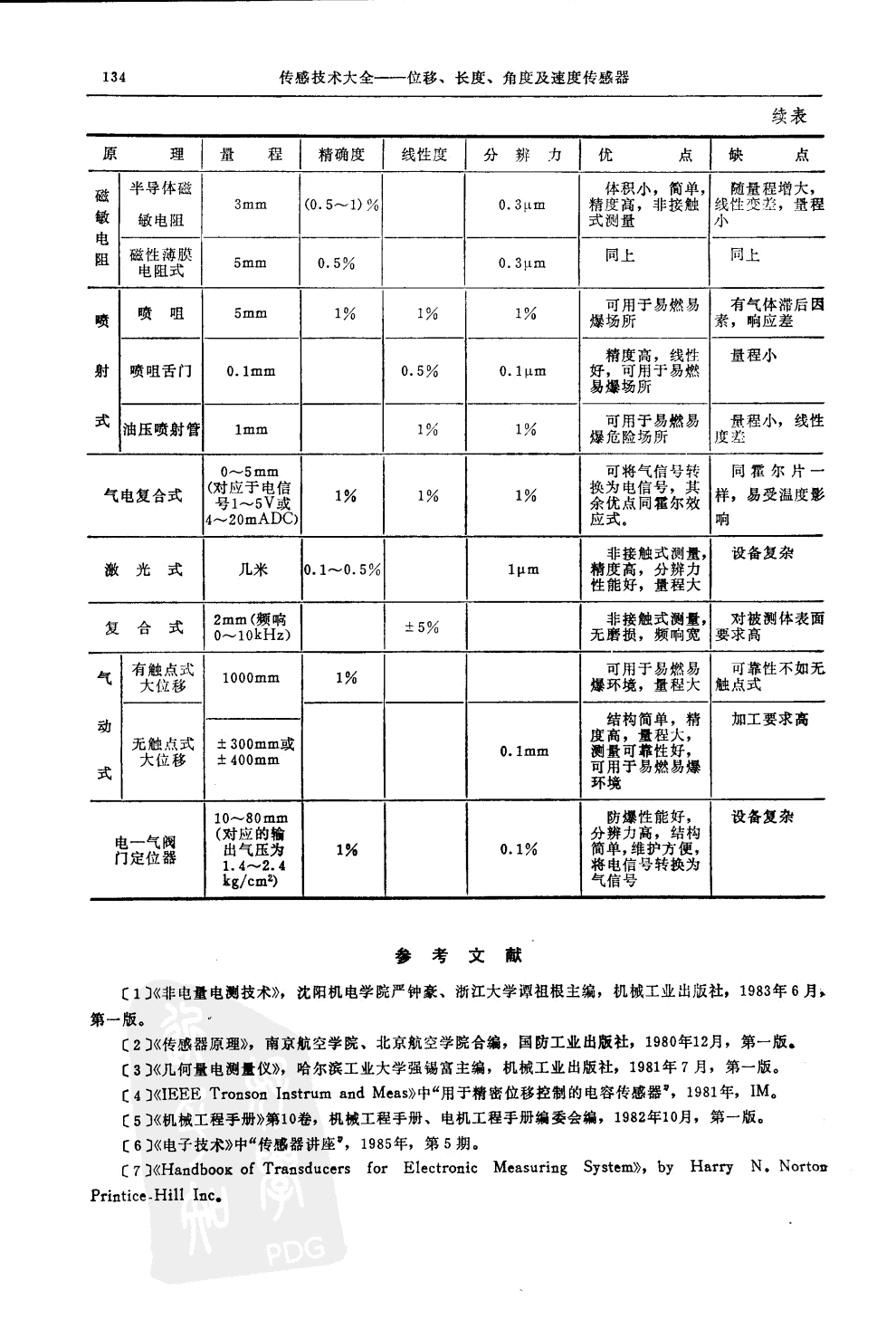
各种形式位移传感器的比较及发展方向 - 新世联传感器
更新时间:2013-07-10 17:20:27
应用介绍
| 以下是引用片段: 位移传感器的应用范围广泛,除了测量位移外,经过机械或力学原理的结构或联结,还 可以用它制作压力、速度、加速度、流量、液位等传感器。例如电容式加速度传感器,即在 位移传感元件的机械结构上加一质量为M的重块和弹簧组成的系统,应用 F=Ma公式, 使位移传感元件的输出电压与重块运动的加速度成正比,将传感元件的位移设转换为加速度 量,即可制成加速度传感器。 |


